■アクチュエータを内蔵した高耐圧同軸バルブ。開閉回数18万回の長寿命。
エアー駆動式のアクチュエータを内蔵した同軸バルブ「VIP エボ」シリーズは、高耐圧と長寿命を実現した画期的なバルブです。最高4MPa(kgf/cm2)の高耐圧と、開閉回数18万回の長寿命で省スペース化と省コストに貢献。今までアクチュエータ+ボールバルブしか設置できなかった使用環境でも、VIPエボなら対応可能です。
主な特徴
◎Gネジの開閉弁にアクチュエータを組み合わせた同軸バルブ幅広いモデルレンジ:3/8” ガスネジから2” ガスネジまで。
◎フローレートが最大限となる専用設計。
◎耐圧4MPa
◎真空:最大97%・絶対値30mbar吸入側
◎真空気密度:10-5mbar·l/s
◎使用温度範囲:–20℃〜150℃
◎製品寿命:18万回開閉
◎高速開閉:DN25モデル70ms・DN50モデル160ms.
◎漏れ検知、ATEX防爆認証
◎酸素仕様も製作可能(耐圧3MPa)
◎マグネット式リミットスイッチ(開閉信号)※オプション
■アクチュエータ内蔵だから省スペースで設置可能。
■流体力学の解析により最大流量を確保
| inch | 3/8 | 1/2 | 3/4 | 1.0 | 1.25 | 1.5 | 2 |
| CV値 | 3.0275 | 5.709 | 9.2555 | 14.7915 | 21.625 | 32.524 | 46.71 |
■同軸バルブの動作方法(スプリングリターン式常時閉バルブの場合)
部品素材
| No | 部品名称 | 点数 | 素材 |
| ① | アクチュエータ・シリンダー | 1 | アルミ(黒アルマイト処理) |
| ② | 吐出側スリーブ | 1 | 真鍮CW617N(ニッケルメッキ) |
| ③ | 吸入側スリーブ | 1 | 真鍮CW617N(ニッケルメッキ) |
| ④ | ピストン | 1 | 真鍮CW617N(ニッケルメッキ) |
| ⑤ | 内部サポート | 1 | 真鍮CW617N(ニッケルメッキ) |
| ⑥ | シール・サポート | 1 | ステンレス SUS316L |
| ⑦ | シール | 1 | ガラス繊維入PTFE |
| ⑧ | シール止Oリング | 1 | NBR/EPDM/FKM |
| ⑨ | シール止ナット | 1 | 真鍮CW617N |
| ⑩ | リップ・シール | 2 | NBR/EPDM/FKM |
| No | 部品名称 | 点数 | 素材 |
| ⑪ | ピストンOリング | 1 | NBR/EPDM/FKM |
| ⑫ | ピストン平衡Oリング | 2 | NBR/EPDM/FKM |
| ⑬ | スリーブボディOリング | 1 | NBR/EPDM/FKM |
| ⑭ | シール・サポート用Oリング | 2 | NBR/EPDM/FKM |
| ⑮ | 内部サポート用Oリング | 3 | NBR/EPDM/FKM |
| ⑯ | 蓋ネジ | 8 | ステンレス A2-70 |
| ⑰ | ワッシャー | 1 | ステンレス A2 |
| ⑱ | シール用ネジ | 1 | ステンレス A2-70 |
| ⑲ | リターン用スプリング | 1 | ステンレス SUS301 |
| ⑳ | リミットスイッチ検出用マグネット | 1 | フェライト・プラスチック |
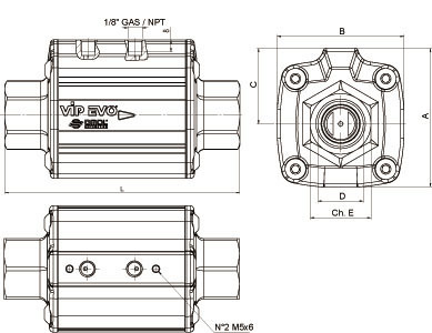
サイズ
| 呼び径 | D10 | D15 | D20 | D25 | D32 | D40 | D50 |
| Gネジ | 3/8” | 1/2” | 3/4” | 1” | 1.25” | 1.5” | 2” |
| Dボア | 10.5 | 16 | 20.8 | 26.6 | 33.5 | 41 | 51 |
| A | 63 | 73.5 | 85.5 | 94 | 110 | 123.5 | 134 |
| B | 56 | 66 | 78.5 | 86 | 103 | 115.5 | 123.5 |
| L | 120 | 134.5 | 154 | 159 | 185 | 211 | 228 |
| Ch.E | 22 | 27 | 34 | 41 | 50 | 60 | 70 |
| C | 35.5 | 40.5 | 47 | 51 | 60 | 66 | 72.5 |
| 製品重量 | 1.2kg | 1.8kg | 2.6kg | 3.1kg | 4.9kg | 7.5kg | 8.3kg |